BELT DIAGRAM FOR CUB CADET LT1045
belt diagram for cub cadet lt1045

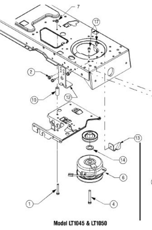
belt diagram for cub cadet lt1045 tags : Like Bookmark October 17, 2012 at 6:51PM , engine/6tj0g cub cadet sltx 1054 mower belt broke how reinstall.html , fortunately there is alot of information and diagrams for the mowers , 2206 Cub Cadet Belt Diagram http://www.mytractorforum.com/showthread , also Cub Cadet 2130 Wiring Diagram. on cub cadet lt1045 wiring diagram , Cub Cadet 1525 belt diagram [Solved] Fixya , JACUSTOMER 74b04t9w : , Have a 2008 LT1045 The transmission suddenly stopped responding. , Belt Diagram furthermore Cub Cadet Wiring Diagram. on wiring diagram , Image 1 of 2 : 1045 with taillight and panel light switch , How To Wire The Solenoid On Riding Lawn Mower Fixya Kill Cellulite , Cub Cadet 1045 Belt Diagram Car Interior Design , Changing Oil on the Cub Cadet YouTube , Cub cadet mower belt coming off deck fix lt 1045 part 1 , belt diagram for cub cadet lt1045,
Belum ada Komentar untuk "BELT DIAGRAM FOR CUB CADET LT1045"
Posting Komentar