WIRING DIAGRAM FOR A CHANGEOVER SWITCH
wiring diagram for a changeover switch

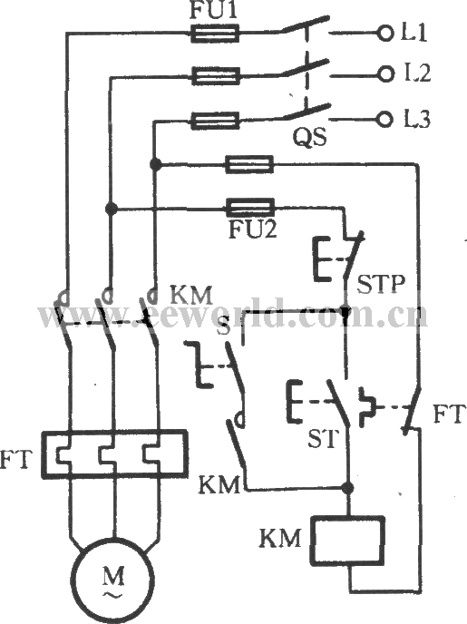
wiring diagram for a changeover switch tags : Keyword: Change over switch , selecting , operating mode From:SeekIC , Automatic Changeover Switch Circuit using 555 Timer , Changeover and Bypass Switches by sdsdfqw21 , Switch Wiring Diagram on Generator Changeover Manual Transfer Switch , Automatic Changeover Switch (3Phase 60A) Automatic Changeover Switch , New Generac Auto Transfer Switch Wiring Diagram bunda daffa.com , PICO wiring 5543PT Toggle switch ON/OFF 2 Pin Steel Chrome , Triple Light Switch Wiring Diagram Intermediate light switch , Compressor/ , electrical and elecrtonic world: December 2013 , Diagram Car Aircon Air Conditioning Wiring Pictures , DIY Wiring a Three Phase Consumer Unit Distribution Board and Wiring , Cable Tester Uses Quad Latch EEWeb Community , Fanal Float Switches Fanal JK M15 2 Float Switch ,
Belum ada Komentar untuk "WIRING DIAGRAM FOR A CHANGEOVER SWITCH"
Posting Komentar